公司简介
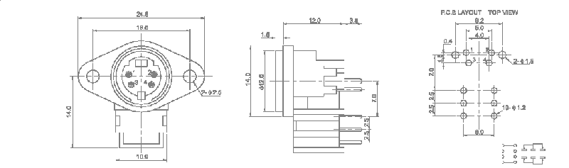
 DIN端子系列 >> DIN-408K 1

 

1
  点击次数:464  发布时间:2011-07-20 【打印】 【返回 1