公司简介
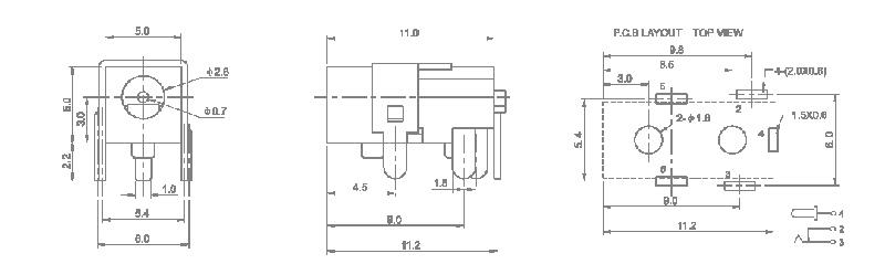
 DC(SMT)电源插座系列 >> DC0011A 1

 

1
  点击次数:300  发布时间:2011-07-19 【打印】 【返回 1